Gemäss UVG (Art. 82) ist der Arbeitgeber verpflichtet, die elektrischen Werkzeuge, Geräte und Maschinen, die er seinen Mitarbeitenden zur Verfügung stellt, regelmässig zu überprüfen und zu dokumentieren. Der Gesetzgeber empfiehlt dabei die Anwendung der Wiederholungsprüfung nach SN EN 50699 (SNG 482638), welche per Frühling 2021 veröffentlicht wurde. Der Gestaltungsbereich erstreckt sich dabei auf Geräte mit Betriebsspannungen bis zu 1000 VAC (oder 1500 VDC).
Die Sicherheit der elektrischen Anlagen ist im Elektrizitätsgesetz von 1902 verankert. Dieses Gesetz schreibt vor, dass elektrischen Anlagen geprüft werden müssen, um die Sicherheit zu gewährleisten.
Art. 3: Sicherheit
Niederspannungserzeugnisse dürfen bei bestimmungsgemässem und möglichst auch bei voraussehbarem unsachgemässem Betrieb oder Gebrauch sowie in voraussehbaren Störfällen weder Personen noch Sachen gefährden.
Art. 13 Anerkannte Regeln der Technik
1) Niederspannungserzeugnisse, die nicht unter den Geltungsbereich der EU-Niederspannungsrichtlinie11 fallen oder die in Anhang II der EU-Niederspannungsrichtlinie aufgelistet sind, dürfen nur auf dem Markt bereitgestellt werden, wenn sie den anerkannten Regeln der Technik entsprechen.
2) Als anerkannte Regeln der Technik gelten insbesondere die international harmonisierten Normen der Internationalen Elektrotechnischen Kommission (IEC) und des Europäischen Komitees für elektrotechnische Normung (CENELEC) und, wo solche fehlen, schweizerische Normen.
Das
heisst:
-
für die Prüfung nach Instandsetzung oder Reparatur eines elektrischen Geräts
(Arbeitsmittel) muss die SN EN 50678 angewendet werden.
-
für die Wiederholungsprüfung der elektrischen Geräte (Arbeitsmittel) muss die
SN EN 50699 (gültig ab 27.1.2021) angewendet werden.
Nach Art. 3 VUV, muss der Arbeitgeber dafür sorgen, dass die Schutzmassnahmen und Schutzeinrichtungen in ihrer Wirksamkeit nicht beeinträchtigt werden. Er hat dies in angemessenen Zeitabständen zu überprüfen.
Siehe auch Infoblatt 3024d vom April 2015 / Electrosuisse.
Schweizer normative Regel: SNG 482638 (alt SNR 462638)
Die SNG 482638 beschreibt Prüfungen, um nachzuweisen, dass von elektrischen Geräten bei bestimmungsgemässem Gebrauch keine elektrische Gefahr für den Benutzer oder die Umgebung ausgeht. Die SNG 482638 stützt sich auf die SN EN 50699 (alt DIN VDE 0701-0702) und ist eine Vereinfachung für die Praxis.
Die Norm SN EN 50699 (alt DIN VDE 0701-0702)
«Prüfung nach Instandsetzung, Änderung elektrischer Geräte – Wiederholungsprüfung elektrischer Geräte – Allgemeine Anforderungen für die elektrische Sicherheit»
Geltungsbereich
Prüfungen der elektrischen Sicherheit von Geräten mit Bemessungsspannungen bis 1000V AC / 1500V DC wie Haushaltsgeräte, Elektrowerkzeuge, EDV etc.
Wichtig: Diese Norm gilt nicht für Geräte, bei denen spezielle Gesetze, Normen oder Verordnungen beachtet werden müssen (z.B. Geräte für Bergbau, Ex-Bereiche, elektromedizinische Geräte, oder Lichtbogen-Schweissgeräte).
Wann
Fristen für die Wiederholungsprüfung (Auszug)
Die empfohlene Periodizität hängt von der Einsatzart und -Häufigkeit der Betriebsmittel ab und liegt bei
Messgeräte
 Gute Messgeräte zeichnen sich durch nachfolgende Funktionen aus: 
 
Mit Schutzklassen werden die Massnahmen beschrieben, mit denen Betriebsmittel gegen berührungsgefährliche Spannung geschützt sind.
Schutzklasse I
Geräte der Schutzklasse I verfügen über einen Schutzleiter. Der Schutzleiter verbindet den Schutzleiteranschluss am Stecker mit berührbaren, leitfähigen Teilen des Gerätes. Der im Fehlerfall (z.B. Spannung am Gehäuse) fliessende Kurzschlussstrom über den Schutzleiter nach Erde, löst den Überstromunterbrecher aus und schaltet den betroffenen Stromkreis spannungsfrei.
Schutzklasse II
Geräte der Schutzklasse II verfügen über eine doppelte oder verstärkte Isolierung die verhindert, dass berührbare leitfähige Teile mit berührungsgefährlicher Spannung in Kontakt kommen können (Schutzisolierung).
Schutzklasse III
Geräte der Schutzklasse III arbeiten mit Schutzkleinspannung (≤50V AC, ≤120V DC) und verfügen nötigenfalls über eine verstärkte Isolierung. Darüber hinaus werden keine Spannungen erzeugt, die grösser als Schutzkleinspannung sind.
Vor der sicherheitstechnischen Kontrolle ist das Betriebsmittel einer umfassenden Sichtprüfung zu unterziehen. Mit der Sichtprüfung werden nachweislich 80% aller Fehler aufgedeckt! Das Gerät ist nur dann zu öffnen, wenn ein Verdacht auf einen Sicherheitsmangel nur auf diese Weise geklärt werden kann. Ein Gerät, bei dem ein Mangel zu einer Gefährdung führen kann, ist aus dem Verkehr zu ziehen und entsprechend zu kennzeichnen.
Beispielhafte Prüfpunkte
Bei der Schutzleiterprüfung wird die gut leitende Verbindung zwischen dem PE-Anschluss des Netzsteckers und berührbaren, leitfähigen Teilen kontrolliert. Der im Fehlerfall (z.B. Spannung am Gehäuse) auftretende Strom (Kurzschlussstrom) soll so gross sein, dass die vorgeschaltete Sicherung innerhalb der vorgegebenen Zeit den Strom abstellt.
Grundlagen
Das Funktionsprinzip der Schutzleitermessung entspricht dem Ohmschen Gesetz, also: R = U / I. Das Prüfgerät erzeugt einen Messstrom von mindestens 200mA, und misst die Spannung, die sich einstellt. Aus diesen Werten wird dann der Widerstand berechnet. Je besser die Verbindung ist, desto niedriger ist der angezeigte Widerstandswert und desto besser ist die Leitfähigkeit.
Zweck
Messgeräte
Gute Messgeräte zeichnen sich durch nachfolgende Funktionen aus:
Prüfstrom und Grenzwerte
Vorgehen
Diese Messung ist immer durchzuführen, wenn das Betriebsmittel über einen Schutzleiter verfügt.
Sonderfälle
Die Isolationswiderstandsmessung ist eine sehr wirkungsvolle Messung. Daher ist sie die weltweit verbreitetste und am häufigsten angewandte Schutzmassnahmenprüfung überhaupt.
Die Prüfung der Isolierung ist nicht nur für neue Betriebsmittel sinnvoll, sie ermöglicht auch bei älteren Geräten die frühzeitige Erkennung von schadhaften Teilen noch bevor es zum Überschlag, zur Beschädigung oder zu einem Unfall kommt.
Grundlagen
Das Funktionsprinzip der Isolationsmessgeräte entspricht dem Ohmschen Gesetz, also: R = U / I. Das Prüfgerät erzeugt eine vom Bediener gewählte Gleichspannung (typischerweise 500V), und misst den Ableitstrom, der vom Leiter durch die Isolierung fliesst. Aus diesen Werten wird dann der Widerstand berechnet. Je besser die Isolierung ist, desto niedriger ist der Ableitstrom, und desto grösser ist der Widerstand.
 Beispiel: Wenn 500V angelegt werden und 1mA fliesst, wird: R = 500 kΩ. 
 Wenn nur ein Hundertstel des dieses Ableitstroms (10 µA) fliesst, wird: R = 50 MΩ 
Die Isolationsmessung wird ohne Netzspannung durchgeführt. Die Prüfspannung wird an die aktiven Leiter (L und N) angelegt und gegen Erde (Schutzleiter) gemessen. Bei Geräten der Schutzklasse II (ohne Schutzleiter), wird gegen berührbare, leitfähige Teile gemessen (z.B. Gehäuseteile).
Problematisch ist die Isolationsmessung bei modernen Betriebsmitteln, welche über einen elektronischen Schalter (Relais, Schütz, Diac, Triac, Sanftstarter etc.) verfügen. Hier können die relevanten inneren Komponenten nicht erfasst werden, weil die Eingangsbeschaltung mit der Prüfspannung nicht überwunden werden kann (Schalter ist "offen"). Zudem zeigt das Messgerät einen vermeintlich "guten" Messwert an (einen hohen Isolationswiderstand). 
Zweck
Messgeräte
Der Prüfstrom ist auf einige mA begrenzt. Gute Messgeräte zeichnen sich durch nachfolgende Funktionen aus:
Prüfspannung und Grenzwert
Vorgehen
Sonderfälle
Folgende Ableitströme werden gemessen:
Dabei dürfen folgende Messverfahren verwendet werden:
Bei den aktiven Messungen (direkte und Differenzmethode) wird der Prüfling mit Netzspannung gespiesen, so dass alle Teile in Betrieb genommen werden können.
Beim alternativen Verfahren (Ersatzableitstrom) werden die aktiven Leiter (Phasen und Neutralleiter) kurzgeschlossen und mit einer im Prüfgerät generierten Spannung beaufschlagt. Dieses Messverfahren ist nur bei Prüflingen zulässig, welche über einen mechanischen Schalter verfügen. Die sicherheitstechnisch wichtigsten Teile wie Motoren, Heizelemente etc. werden bei elektronischen Schaltern (Schütz, Relais etc.) nicht erfasst .
Die Norm sieht daher vor, dass Geräte die nach der Ersatzableitstrommessung gemessen werden, keine netzspannungsabhängigen Schalteinrichtungen beinhalten dürfen. Die durchgeführten Messungen (Ersatzableitstrommessung und Isolationswiderstandmessung) würden kein aussagekräftiges Resultat liefern. Das Prüfgerät würde sogar einen guten Wert anzeigen, obwohl der Prüfling mangelhaft ist.
Grundlagen
Als Ableitstrom wird ein unerwünschter Strom bezeichnet, der nicht auf dem "normalen" Weg (zwischen L und N) in einem Betriebsmittel fliesst .
 In der Regel ist an den meisten Betriebsmittel ein kleiner Ableitstrom messbar, der sich z.B. durch die interne Beschaltung und Netzfilter ergibt. 
Zweck
Messgeräte
Gute Messgeräte zeichnen sich durch nachfolgende Funktionen aus:
Grenzwerte
Vorgehen
Nach Instandsetzung oder Änderung:
Die Prüfergebnisse müssen dokumentiert werden.
Wir empfehlen die folgenden Punkte von Hand, schriftlich oder elektronisch dauerhaft festzuhalten:
Sinnvollerweise kann der Prüfling zusätzlich mit einem Prüfsiegel gekennzeichnet werden. Dadurch ist für jeden Benutzer klar ersichtlich, ob das Gerät geprüft wurde und wann die nächste Prüfung ansteht.

Art. 49 Instandhaltungspflicht
Medizinprodukteverordnung (MepV)
Art. 71
Instandhaltung (Medizinprodukteverordnung (MepV) vom 1. Juli 2020)
Die Norm SN EN 62353 (früher VDE 0751)
Instandsetzung, Änderung und Prüfung von elektromedizinischen Betriebsmitteln.
Die Norm EN 60601 (IEC 601)
Prüfung von elektromedizinischen Betriebsmitteln und Systemen, Herstellerprüfung (Typ- / Stückprüfung) oder Instandsetzung wenn vom Hersteller vorgeschrieben.
Verantwortliche Organisation:
Einheit, die für den Gebrauch und die Instandhaltung eines Medizin-Geräts oder eines -Systems verantwortlich ist. Die verantwortliche Einheit kann ein Krankenhaus, ein praktizierender Arzt oder ein Laie sein. Bei der Anwendung zuhause können der Patient, der Bediener und die verantwortliche Organisation ein und dieselbe Person sein.
Zuständige Behörde in der Schweiz
Swissmedic, Schweizerisches Heilmittelinstitut, Abt. Medizinprodukte
Geltungsbereich
Elektrisches Gerät, das ein Anwendungsteil hat oder das Energie zum oder vom Patienten überträgt bzw. eine solche Energieübertragung zum oder vom Patienten anzeigt und für das Folgendes gilt:
Wer
Nur befähigte Personen dürfen diese Prüfungen durchführen.
Wann
Fristen für die Wiederholungsprüfung
Messgeräte
Gute Messgeräte zeichnen sich durch nachfolgende Funktionen aus:
Mit Schutzklassen werden die Massnahmen beschrieben, mit denen Betriebsmittel gegen berührungsgefährliche Spannung geschützt sind.
Schutzklasse I
Geräte der Schutzklasse I verfügen über einen Schutzleiter. Der Schutzleiter verbindet den Schutzleiteranschluss am Stecker mit berührbaren, leitfähigen Teilen des Gerätes.
Der im Fehlerfall (z.B. Spannung am Gehäuse) fliessende Kurzschlussstrom über den Schutzleiter nach Erde, löst den Überstromunterbrecher aus und schaltet den betroffenen Stromkreis spannungsfrei.
Schutzklasse II
Geräte der Schutzklasse II verfügen über eine doppelte oder verstärkte Isolierung die verhindert, dass berührbare leitfähige Teile mit berührungsgefährlicher Spannung in Kontakt kommen können (Schutzisolierung).
Schutzklasse III
 Geräte der Schutzklasse III arbeiten mit Schutzkleinspannung (≤50V AC, ≤120V DC) und verfügen nötigenfalls über eine verstärkte Isolierung. Darüber hinaus werden keine Spannungen erzeugt, die grösser als Schutzkleinspannung sind. 
Sicherheitsklassen von medizinischen Anwendungsteilen
 Anwendungsteile sind Teile, welche bestimmungsgemäss mit dem Patienten in Kontakt kommen. Es gibt 3 Klassen:
Vor der sicherheitstechnischen Kontrolle ist das Betriebsmittel einer umfassenden Sichtprüfung zu unterziehen. Mit der Sichtprüfung werden nachweislich 80% aller Fehler aufgedeckt! Das Gerät ist nur dann zu öffnen, wenn ein Verdacht auf einen Sicherheitsmangel nur auf diese Weise geklärt werden kann. Ein Gerät, bei dem ein Mangel zu einer Gefährdung führen kann, ist aus dem Verkehr zu ziehen und entsprechend zu kennzeichnen.
Beispielhafte Prüfpunkte
Bei der Schutzleiterprüfung wird die gut leitende Verbindung zwischen dem PE-Anschluss des Netzsteckers und berührbaren, leitfähigen Teilen kontrolliert. Der im Fehlerfall (z.B. Spannung am Gehäuse) auftretende Strom (Kurzschlussstrom) soll so gross sein, dass die vorgeschaltete Sicherung innerhalb der vorgegebenen Zeit den Strom abstellt.
Grundlagen
Das Funktionsprinzip der Schutzleitermessung entspricht dem Ohmschen Gesetz, also: R = U / I. Das Prüfgerät erzeugt einen Messstrom von mindestens 200mA, und misst die Spannung, die sich einstellt. Aus diesen Werten wird dann der Widerstand berechnet. Je besser die Verbindung ist, desto niedriger ist der angezeigte Widerstandswert und desto besser ist die Leitfähigkeit.
Zweck
Messgeräte
Gute Messgeräte zeichnen sich durch nachfolgende Funktionen aus:
Grenzwerte (SN EN 62353)
Vorgehen
Diese Messung ist immer durchzuführen, wenn das Betriebsmittel über einen Schutzleiter verfügt.
Die Isolationswiderstandsmessung ist eine sehr wirkungsvolle Messung. Daher ist sie die weltweit verbreitetste und am häufigsten angewandte Schutzmassnahmenprüfung überhaupt.
Die Prüfung der Isolierung ist nicht nur für neue Betriebsmittel sinnvoll, sie ermöglicht auch bei älteren Geräten die frühzeitige Erkennung von schadhaften Teilen noch bevor es zum Überschlag, zur Beschädigung oder zu einem Unfall kommt.
Grundlagen
Das Funktionsprinzip der Isolationsmessgeräte entspricht dem Ohmschen Gesetz, also: R = U / I. Das Prüfgerät erzeugt eine vom Bediener gewählte Gleichspannung (typischerweise 500V), und misst den Ableitstrom, der vom Leiter durch die Isolierung fliesst. Aus diesen Werten wird dann der Widerstand berechnet. Je besser die Isolierung ist, desto niedriger ist der Ableitstrom, und desto grösser ist der Widerstand.
 Beispiel: Wenn 500V angelegt werden und 1mA fliesst, wird: R = 500 kΩ. 
 Wenn nur ein Hundertstel des dieses Ableitstroms (10 µA) fliesst, wird: R = 50 MΩ 
Die Isolationsmessung wird ohne Netzspannung durchgeführt. Die Prüfspannung wird an die aktiven Leiter (L und N) angelegt und gegen Erde (Schutzleiter) gemessen. Bei Geräten der Schutzklasse II (ohne Schutzleiter), wird gegen berührbare, leitfähige Teile gemessen (z.B. Gehäuseteile).
Problematisch ist die Isolationsmessung bei modernen Betriebsmitteln, welche über einen elektronischen Schalter (Relais, Schütz, Diac, Triac, Sanftstarter etc.) verfügen. Hier können die relevanten inneren Komponenten nicht erfasst werden, weil die Eingangsbeschaltung mit der Prüfspannung nicht überwunden werden kann (Schalter ist "offen"). Zudem zeigt das Messgerät einen vermeintlich "guten" Messwert an (einen hohen Isolationswiderstand). 
Zweck
Messgeräte
Der Prüfstrom ist auf einige mA begrenzt. Gute Messgeräte zeichnen sich durch nachfolgende Funktionen aus:
Prüfspannung und Grenzwert (SN EN 62353)
 * entspricht dem equivalenten Ableitstrom 
Vorgehen
Sonderfälle
Bei Geräten, welche durch diese Prüfung Schaden nehmen könnten, darf die Prüfung weggelassen werden. Vorgaben des Herstellers sind zu berücksichtigen.
Folgende Ableitströme werden gemessen:
Dabei dürfen folgende Messverfahren verwendet werden:
Bei den aktiven Messungen (direkte und Differenzmethode) wird der Prüfling mit Netzspannung gespiesen, so dass alle Teile in Betrieb genommen werden können.
Beim alternativen Verfahren (Ersatzableitstrom) werden die aktiven Leiter (Phasen und Neutralleiter) kurzgeschlossen und mit einer im Prüfgerät generierten Spannung beaufschlagt. Dieses Messverfahren ist nur bei Prüflingen zulässig, welche über einen mechanischen Schalter verfügen. Die sicherheitstechnisch wichtigsten Teile wie Motoren, Heizelemente etc. werden bei elektronischen Schaltern (Schütz, Relais oder elektronischer Schalter) nicht erfasst.
Die Norm sieht daher vor, dass Geräte die nach der Ersatzableitstrommessung gemessen werden, keine netzspannungsabhängigen Schalteinrichtungen beinhalten dürfen. Die durchgeführten Messungen (Ersatzableitstrommessung und Isolationswiderstandmessung) würden kein aussagekräftiges Resultat liefern. Das Prüfgerät würde sogar einen guten Wert anzeigen, obwohl der Prüfling mangelhaft ist.
Grundlagen
Als Ableitstrom wird ein unerwünschter Strom bezeichnet, der nicht auf dem "normalen" Weg (zwischen L und N) in einem Betriebsmittel fliesst .
Die Messung des Ableitstromes vom Anwendungsteil muss an Geräten vom Typ BF oder CF vorgenommen werden. Bei Anwendungsteilen des Typs B ist üblicherweise keine getrennte Messung notwendig, da diese bei der Messung des Geräteableitstroms mit erfasst werden.
 In der Regel ist an den meisten Betriebsmittel ein kleiner Ableitstrom messbar, der sich z.B. durch die interne Beschaltung von Netzfiltern ergibt. 
Zweck
Messgeräte
Gute Messgeräte zeichnen sich durch nachfolgende Funktionen aus:
Grenzwerte (SN EN 62353)
Vorgehen
Sonderfälle
Vor- / Nachteile der einzelnen Methoden
Ersatzableitstrom (alternatives Messverfahren)
Differenz Methode
Direkte Methode
Die für die Sicherheit des Gerätes relevanten Funktionen müssen entsprechend den Herstellerempfehlungen geprüft werden, erforderlichenfalls mit der Unterstützung einer Person, die mit dem Gebrauch des Medizingeräts oder -Systems vertraut ist.
Die Prüfergebnisse müssen dokumentiert werden.
Wir empfehlen die folgenden Punkte von Hand, schriftlich oder elektronisch dauerhaft festzuhalten:
Jedes geprüfte Betriebsmittel wird mit einem Prüfsiegel gekennzeichnet. Dadurch ist es jedem Nutzer möglich zu erkennen, ob ein Gerät geprüft ist und wann die nächste Prüfung durchgeführt werden muss.

Wiederkehrende Inspektion und Prüfung von Lichtbogenschweisseinrichtungen während des Betriebs und nach Reparaturen.
Lichtbogenschweisseinrichtungen fallen untere eine gesonderte Gerätegruppe, da sie sowohl elektrische Verbraucher als auch Stromquelle sind. Daher ist neben der Primärseite (Netzeingang) auch die Sekundärseite (Schweissstromkreis) zu prüfen. Wegen der erhöhten Gefährdung sind zusätzliche Prüfungen erforderlich. Die Wiederholungsprüfung (neu: Inspektion und Prüfung) wird in eine Teilprüfung und eine vollständige Prüfung aufgeteilt. Bei Reparaturen ist immer die vollständige Prüfung durchzuführen.
Wann
Teilprüfung: Instandhaltung (3 Monate)
Vollständige Prüfung: Instandhaltung (12 Monate) oder Reparatur
Messgeräte
Gute Messgeräte zeichnen sich durch nachfolgende Funktionen aus:
 Mit Schutzklassen werden die Massnahmen beschrieben, mit denen Betriebsmittel gegen berührungsgefährliche Spannung geschützt sind. 
Schutzklasse I
Geräte der Schutzklasse I verfügen über einen Schutzleiter. Der Schutzleiter verbindet den Schutzleiteranschluss am Stecker mit berührbaren, leitfähigen Teilen des Gerätes.
Der im Fehlerfall (z.B. Spannung am Gehäuse) fliessende Kurzschlussstrom über den Schutzleiter nach Erde, löst den Überstromunterbrecher aus und schaltet den betroffenen Stromkreis spannungsfrei
Schutzklasse II
Geräte der Schutzklasse II verfügen über eine doppelte oder verstärkte Isolierung die verhindert, dass berührbare leitfähige Teile mit berührungsgefährlicher Spannung in Kontakt kommen können (Schutzisolierung).
Schutzklasse III 
Diese Geräte können entsprechend der Vorschriften und Normen IEC/EN 60974 in Umgebung mit erhöhter elektrischer Gefährdung (z.B. im Kesselbau und Container) eingesetzt werden. 
Vor der sicherheitstechnischen Kontrolle ist das Betriebsmittel einer umfassenden Sichtprüfung zu unterziehen. Mit der Sichtprüfung werden nachweislich 80% aller Fehler aufgedeckt! Ein Gerät, bei dem ein Mangel zu einer Gefährdung führen kann, ist aus dem Verkehr zu ziehen und entsprechend zu kennzeichnen.
Prüfpunkte der teilweisen Prüfung:
Brenner/Stabelektrodenhalter, Schweissstrom-Rückleitungsklemme
Leitungen, inklusive Stecker und Kupplungen
(Netzanschluss-, Schweissstromzuleitung und -rückleitung, Schlauchpaket, Zuleitungen zur Fernsteuerung oder externem Drahtvorschubgerät usw.)
Gehäuse (Schweissstromquelle, Drahtvorschubgerät, Kühlgerät,..)
Bedien-, Melde-, Schutz- und Stelleinrichtungen
Sonstiger, allgemeiner Zustand
Zusätzliche Prüfpunkte der vollständigen Prüfung:
Geöffnete Stecker und Kupplungen
Geöffnete Gehäuse (mit Werkzeugen)
(Schweissstromquelle, Drahtvorschubgerät, Kühlgerät)
Besonderheiten der Schweissstromquellen zum Plasmaschneiden
Bei der Schutzleiterprüfung wird die gut leitende Verbindung zwischen dem PE-Anschluss des Netzsteckers und berührbaren, leitfähigen Teilen kontrolliert. Der im Fehlerfall (z.B. Spannung am Gehäuse) auftretende Strom (Kurzschlussstrom) soll so gross sein, dass die vorgeschaltete Sicherung innerhalb der vorgegebenen Zeit den Strom abstellt.
Grundlagen
Das Funktionsprinzip der Schutzleitermessung entspricht dem Ohmschen Gesetz, also: R = U / I. Das Prüfgerät erzeugt einen Messstrom von mindestens 200mA, und misst die Spannung, die sich einstellt. Aus diesen Werten wird dann der Widerstand berechnet. Je besser die Verbindung ist, desto niedriger ist der angezeigte Widerstandswert und desto besser ist die Leitfähigkeit.
Zweck
Messgeräte
Gute Messgeräte zeichnen sich durch nachfolgende Funktionen aus:
Grenzwerte IEC 60974-4
Vorgehen
Diese Messung ist immer durchzuführen, wenn die Schweisseinrichtung über einen Schutzleiter verfügt.
Die Isolationswiderstandsmessung ist eine sehr wirkungsvolle Messung. Daher ist sie die weltweit verbreitetste und am häufigsten angewandte Schutzmassnahmenprüfung überhaupt.
Die Prüfung der Isolierung ist nicht nur für neue Betriebsmittel sinnvoll, sie ermöglicht auch bei älteren Geräten die frühzeitige Erkennung von schadhaften Teilen noch bevor es zum Überschlag, zur Beschädigung oder zu einem Unfall kommt.
Grundlagen
Lichtbogenschweisseinrichtungen fallen untere eine gesonderte Gerätegruppe, da sie sowohl elektrische Verbraucher als auch Stromquelle sind. Daher ist neben der Primärseite (Netzeingang) auch die Sekundärseite (Schweissstromkreis) zu prüfen.
Das Funktionsprinzip der Isolationsmessgeräte entspricht dem Ohmschen Gesetz, also: R = U / I. Das Prüfgerät erzeugt eine vom Bediener gewählte Gleichspannung (typischerweise 500V), und misst den Ableitstrom, der vom Leiter durch die Isolierung fliesst. Aus diesen Werten wird dann der Widerstand berechnet. Je besser die Isolierung ist, desto niedriger ist der Ableitstrom, und desto grösser ist der Widerstand.
 Beispiel: Wenn 500V angelegt werden und 1mA fliesst, wird: R = 500 kΩ. 
 Wenn nur ein Hundertstel des dieses Ableitstroms (10 µA) fliesst, wird: R = 50 MΩ 
Die Isolationsmessung wird ohne Netzspannung durchgeführt. Die Prüfspannung wird an die aktiven Leiter (L und N) angelegt und gegen Erde (Schutzleiter) gemessen. Bei Geräten der Schutzklasse II (ohne Schutzleiter), wird gegen berührbare, leitfähige Teile gemessen (z.B. Gehäuseteile).
Problematisch ist die Isolationsmessung bei modernen Betriebsmitteln, welche über einen elektronischen Schalter (Relais, Schütz, Diac, Triac, Sanftstarter etc.) verfügen. Hier können die relevanten inneren Komponenten nicht erfasst werden, weil die Eingangsbeschaltung mit der Prüfspannung nicht überwunden werden kann (Schalter ist "offen"). Zudem zeigt das Messgerät einen vermeintlich "guten" Messwert an (einen hohen Isolationswiderstand). 
Zweck
Prüfspannung und Grenzwert (EN 60974-4)
Prüfspannung mindestens 500V DC.
Vorgehen
Auch wenn die Ableitstrommessungen laut Norm nur alternativ zur Isolationswiderstandsmessung durchgeführt werden müssen, werden diese Messungen von verschiedenen Herstellern dringend empfohlen, insbesondere nach Reparaturen. Da bei der Messung der Ableitströme Netzspannung anliegt (aktive Messung) können alle Teile in Betrieb genommen werden. Daher sind diese Werte in der Praxis viel aussagekräfiger als die Messung der Isolationswiderstände. Bei der Messung der Ableitströme muss die Schweisseinrichtung eingeschaltet sein und Leerlaufspannung liefern.
Folgende Ableitströme werden gemessen:
Grundlagen
Lichtbogenschweisseinrichtungen fallen untere eine gesonderte Gerätegruppe, da sie sowohl elektrische Verbraucher als auch Stromquelle sind. Daher ist neben der Primärseite (Netzeingang) auch die Sekundärseite (Schweissstromkreis) zu prüfen.
 Als Ableitstrom wird ein unerwünschter Strom bezeichnet, der nicht auf dem "normalen" Weg (zwischen L und N) in einem Betriebsmittel fliesst . In der Regel ist an den meisten Betriebsmittel ein kleiner Ableitstrom messbar, der sich z.B. durch die interne Beschaltung von Netzfiltern ergibt. 
Zweck
Messgeräte
Gute Messgeräte zeichnen sich durch nachfolgende Funktionen aus:
Grenzwerte (EN 60974-4)
Vorgehen
Vor- / Nachteile der einzelnen Methoden
Differenz Methode
Direkte Methode
Bei der Prüfung der Leerlaufspannung am Schweissstromkreis dürfen die Scheitelwerte bei allen möglichen Einstellungen den Grenzwert von 113V nicht überschreiten, wenn die Schweissstromquelle mit Netzspannung versorgt wird. Als Leerlaufspannung gilt die Spannung zwischen den Anschlussstellen der Schweissleitungen zur Schweissstelle, wenn der Schweissstromkreis offen ist und eventuell vorhandene Lichtbogen-Zündeinrichtungen und -Stabilisierungseinrichtungen abgeschaltet sind.
Bei Plasmaschweisseinrichtungen entfällt die Prüfung der Leerlaufspannung.
Grundlagen
Lichtbogenschweisseinrichtungen fallen untere eine gesonderte Gerätegruppe, da sie sowohl elektrische Verbraucher als auch Stromquelle sind. Daher ist neben der Primärseite (Netzeingang) auch die Sekundärseite (Schweissstromkreis) zu prüfen.
 Die Leerlaufspannung am Schweissstromkreis muss technisch bedingt höhere Wert annehmen, als das dies für den Personenschutz üblicherweise vorgesehen ist. Die Norm legt darum Werte fest, welche zum Einen die Schweissaufgabe ermöglichen und zum Andern unnötig grosse Gefährdungen vermeiden. 
 Bei der Begrenzung der Leerlaufspannung ist diejenige Spannung gemeint, mit der der Schweisser beim Arbeiten in Berührung kommen kann. Bei Einrichtgungen mit mehreren zusammengeschalteten Stromquellen darf daher weder die Leerlaufspannung der einzelnen Stromquelle noch die gesamte Leerlaufspannung die zulässigen Höchstwerte überschreiten.
Zweck
Messgeräte
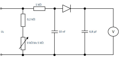
Die Messung der Leerlaufspannung muss den Scheitelwert berücksichtigen. Dazu ist die nachfolgende Messschaltung mit Spitzenwertgleichrichter und der in der Norm empfohlenen Diode 1N4007 zu verwenden.
Messung der Leerlaufspannung von Lichtbogenschweisseinrichtungen:

Grenzwerte (EN 60974-4)
 Wenn UR (reduzierte Leerlaufspannung) oder US (geschaltete Leerlaufspannung) auf dem Leistungsschild definiert sind, müssen UR resp. US anstelle von U0 gemessen werden.
Vorgehen
Angabe der Leerlaufspannung U0 auf dem Typenschild:

Die für die Sicherheit des Gerätes relevanten Funktionen müssen entsprechend den Herstellerempfehlungen geprüft werden, erforderlichenfalls mit der Unterstützung einer Person, die mit dem Gebrauch der Schweisseinrichtung vertraut ist. 
Netz Ein/Aus Schalteinrichtung muss
Spannungsminderungseinrichtung muss
Glas-Magnetventil
Melde- und Kontrollleuchten
Die Prüfergebnisse müssen dokumentiert werden.
Wir empfehlen die folgenden Punkte von Hand, schriftlich oder elektronisch dauerhaft festzuhalten:
Jedes geprüfte Betriebsmittel wird mit einem Prüfsiegel gekennzeichnet. Dadurch ist es jedem Nutzer möglich zu erkennen, ob ein Gerät geprüft ist und wann die nächste Prüfung durchgeführt werden muss.

Unser Prüfsiegel
Die Prüfung der elektrischen Maschinen fusst in der Schweiz primär auf folgenden Säulen:
Nach Art. 3 VUV, muss der Arbeitgeber dafür sorgen, dass die Schutzmassnahmen und Schutzeinrichtungen in ihrer Wirksamkeit nicht beeinträchtigt werden. Er hat dies in angemessenen Zeitabständen zu überprüfen.
Zur Erhaltung des sicheren Zustandes von Arbeitsmitteln, die schädigenden Einflüssen ausgesetzt sind, sind wiederkehrende Prüfungen nach einem im Voraus festgelegten Plan erforderlich (Art. 32b VUV). Im Rahmen der Gefährdungsbeurteilung ist abzuschätzen, welche Massnahmen getroffen werden müssen, um die Arbeitsmittel im ordnungsgemässen Zustand zu erhalten.
Weiter wird auf die Herstellervorschriften und Empfehlungen hingewiesen, diese sind verbindlich und einzuhalten.
Siehe auch Infoblatt 3024d vom April 2015 / Electrosuisse.
 Schweizer normative Regel: SN EN 60204-1
(Kapitel 18)
Die SN EN 60204-1 Kapitel 18 beschreibt Prüfungen, um nachzuweisen, dass von elektrischen Maschinen bei bestimmungsgemässem Gebrauch keine elektrische Gefahr für den Benutzer oder die Umgebung ausgeht. Die SN EN 60204-1 stützt sich auf die DIN VDE 0113-1.
Geltungsbereich
Prüfungen der elektrischen Sicherheit von
Geräten mit Bemessungsspannungen bis 1000V AC / 1500V DC und mit Nennfrequenzen
bis einschließlich 200 Hz betrieben werden.
*Stand der Technik
Wenn eine Maschine, Anlage oder ein Arbeitsmittel nach dem
Stand der Technik unterhalten werden muss, bedeutet das, dass sie regelmässig
nach EN 60204-1 gewartet und instand gehalten werden muss, um den aktuellen
technischen und sicherheitstechnischen Anforderungen zu entsprechen. Dies
umfasst:
Regelmässige Wartung: Inspektionen und Wartungsarbeiten, um die Sicherheit und Effizienz der Maschine zu gewährleisten. Maschinen oder Anlagen nach EN 60204 müssen gemäß den firmeninternen Sicherheitskonzepten regelmässig kontrolliert werden. Jede Schweizer Firma mit mehr als 10 Mitarbeitern muss ein Sicherheitskonzept haben, das die Prüfintervalle der Maschinen oder Anlagen definiert. Diese Intervalle können je nach Gefahrenpotenzial von 0,5 bis 10 Jahren variieren. Der Anlagenbetreiber muss gemäss Bundesgesetz über die Unfallversicherung (UVG, SR 832.20) Art. 82 Absatz 1 sicherstellen, dass die Maschinen oder Anlagen immer sicher sind.
  Metallbearbeitungs- und Metallverarbeitungsmaschinen
– spanabhebende Metallbearbeitungsmaschinen
– spanlose Metallbearbeitungsmaschinen
 Kunststoff- und Gummimaschinen
– Spritzgießmaschinen
– Extruder und Extrusionsanlagen
– Blasformmaschinen
– Pressen und Spritzgießmaschinen
– Zerkleinerungsmaschinen
Holzbearbeitungsmaschinen
– Holzbearbeitungsmaschinen
– Laminiermaschinen
– Sägewerksmaschinen
 Fördertechnik, Handhabungstechnik
– Roboter
– Förderbänder
– Transfereinrichtungen
– Regalbediengeräte
Lebensmittelmaschinen
– Teigteilmaschinen
– Misch- und Rührmaschinen
– Kuchen- und Tortenmaschinen
– Fleischverarbeitungsmaschinen
Druck-, Papier- und Kartonmaschinen
– Druckmaschinen
– Papierverarbeitungs-, Schneide- und Falzmaschinen
– Umroll- und Schneidemaschinen
– Faltschachtel-Klebemaschinen
– Papier- und Karton-Herstellungsmaschinen
 Mess- und Prüfmaschinen –
Koordinatenmessmaschinen
– Vorrichtungen für In-Prozess-Messtechnik
Verpackungsmaschinen
– Palletiermaschinen/Entpalletiermaschinen
– Einschlag- und
Schrumpffolieneinschlagsmaschinen
Leder/Kunstlederwaren- und Schuhmaschinen
– Schneide- und Stanzmaschinen
– Aufrau-, Ausglas-, Schleif-,
Kantenbearbeitungs- und Bürstmaschinen 
– Schuhformmaschinen
– Zwickmaschinen
 Hebezeuge (siehe IEC 60204-32)
– Krane
– Hubgeräte
Maschinen zum Personentransport
– Fahrtreppen
– Seilbahnen zum Personentransport, z. B.
Sessellifte, Skilifte
– Personenaufzüge
Freizeitmaschinen
– Fahr- und Vergnügungsgeschäfte
Bau- und Baustoffmaschinen
– Tunnelbaumaschinen
– Betondosiermaschinen
– Ziegelherstellmaschinen
– Stein-, Keramik- und Glasherstellmaschinen
Transportable Maschinen
– Holzbearbeitungsmaschinen
– Metallbearbeitungsmaschinen
Fahrbare Maschinen
– Hebebühnen
– Gabelstapler
– Baumaschinen
Gerbereimaschinen
– Mehrwalzenmaschinen
– Bandmessermaschinen
– hydraulische Gerbereimaschinen
Montagemaschinen
– Textilmaschinen
– Wäschereimaschinen
– Kühl- und Klimatisiermaschinen
– Heizungs- und Lüftungsmaschinen
– Kompressoren
– Motorisch angetriebene Türen
– Maschinen für Roheisverarbeitung
– Bergbau- und Steinbruchmaschinen
 – Land- und Forstwirtschaftsmaschinen
 – Pumpen
Zeitpunkt der Wiederholungsprüfungen
Die
Abstände sind nicht allein durch die EN 60204 geregelt, sondern ergeben sich
aus dem Gefährdungsgrad der Maschine sowie weiteren Faktoren wie zum Beispiel
dem Standort, der Umgebungstemperatur oder der Häufigkeit des Einsatzes.
Empfehlung zum Zeitpunkt der Wiederholungsprüfungen
Die
Wiederholungsprüfungen müssen durchgeführt werden, bevor es zu gefährlichen
Mängeln kommen kann. Damit lässt sich ein Intervall nicht ein für alle Mal in
Stein meißeln, sondern ist regelmässig auch neu zu überprüfen – basierend auf
den bei den Prüfungen gewonnenen Erfahrungen.
Das richtige Instrument für die Festlegung der Frequenz von Wiederholungsprüfungen ist die Gefährdungsbeurteilung.
Nur in der Gefährdungsbeurteilung kann entsprechend der örtlichen Gemengelage festgelegt werden, wann eine Prüfung erfolgen muss – mit nahe am Prüfobjekt vorhandenem Sachverstand und unter Beachtung diverser Einflussfaktoren.
 Solche
Einflussfaktoren sind – ohne Anspruch auf Vollständigkeit:
So unterscheiden sich die Prüffristen sicherlich dann, wenn die Maschine von technisch nicht ausgebildetem Personal bedient wird, welches auch noch (gezwungenermassen) kleinere Instandsetzungen daran auszuführen hat, von der Organisation, bei der technisches Fachpersonal (z.B. Elektrofachkräfte) für die Überwachung und Instandhaltung regelmäßig zur Verfügung steht.
Die Maschinenprüfung besteht aus vielen Einzelprüfungen. Der Umfang der Prüfungen für eine bestimmte Maschine ist in den entsprechenden Produktnormen angegeben. Wenn keine der Maschine zugeordnete Produktnorm existiert, müssen die Prüfungen immer die Punkte a), b) c) und h) beinhalten und können einen oder mehrere der Punkte d) bis g) mit einschliessen:
 a)
Überprüfung, dass die elektrische Ausrüstung mit ihrer technischen
Dokumentation übereinstimmt;
b)
Überprüfung der Durchgängigkeit der Schutzleiterstromkreise (Prüfung 1
entsprechend 18.2.2);
c)
beim Fehlerschutz durch automatische Abschaltung der Stromversorgung müssen die
Bedingungen für den Schutz durch automatische Abschaltung entsprechend 18.2
überprüft werden;
d)
Isolationswiderstandsprüfung (siehe SN EN 60204-1; 18.3);
e)
Spannungsprüfung (siehe SN EN 60204-1; 18.4);
f)
Schutz gegen Restspannung (siehe SN EN 60204-1; 18.5);
g)
Überprüfung der relevanten Anforderungen entsprechend 8.2.6, soweit anwendbar;
h)
Funktionsprüfungen (siehe SN EN 60204-1; 18.6).
Auch darüber gibt einzig und allein die Gefährdungsbeurteilung Auskunft. In Vorbereitung der Prüfung macht sich der Verantwortliche über die an der Maschine zum Einsatz gekommenen Schutzmassnahmen Gedanken. Verantwortlich ist der Anlagenbetreiber. Seine Aufgabe ist nach Kapitel 3.2.1 DIN VDE 0105-100, die Verantwortung für den sicheren Betrieb zu tragen sowie Regeln und Randbedingungen der (diesbezüglichen) Organisation vorzugeben. Die Wirksamkeit der Schutzmassnahme wird dann mit geeigneten Verfahren geprüft.
Falls weder von Herstellern, Anwendern oder anderen zuständigen Institutionen Prüfintervalle festgelegt wurden, dient folgende Tabelle als Entscheidungshilfe, um die Prüfintervalle festzulegen. Die Tabellen A.1 und A.2 schlagen die anfängliche Häufigkeit der Überprüfung und Erprobung von verschiedenen Arten von Geräten vor.
Erklärung Tabelle lesen
Beispiel Baustelle Rohbau (siehe erstes Feld):
Das Kreuz wurde im Feld ganz rechts gesetzt. Nun gehen Sie senkrecht nach unten, bis Sie die entsprechende Zahl (Prüfperiodizität in Monaten) erreichen. Hier im Beispiel erscheint die Zahl 6 und 12. Wird das Gerät auf der Baustelle Rohbau täglich oder wöchentlich genutzt, dann liegt die empfohlene Prüfperiodizität bei 6 Monaten. Ist das Gerät monatlich oder seltener in Gebrauch, dann wird die Prüfung alle 12 Monate empfohlen.
Quelle Normen und Vorschriften: RECOM ELECTRONIC AG